Fan Control Relay 20210 Honda Civic Wiring Diagram 2003 Hond

Honda civic condenser radiator wiring diagram Civic honda radiator Honda civic 2006 radiator fan not working

DIY: retrofit Hondalink to LX/Sport | Page 23 | 2016+ Honda Civic Forum

DIY: retrofit Hondalink to LX/Sport | Page 23 | 2016+ Honda Civic Forum

Honda civic system wiring diagrams cooling fan circuit wiring Wiring radiator accord justanswer blower 2000 honda civic wiring harness

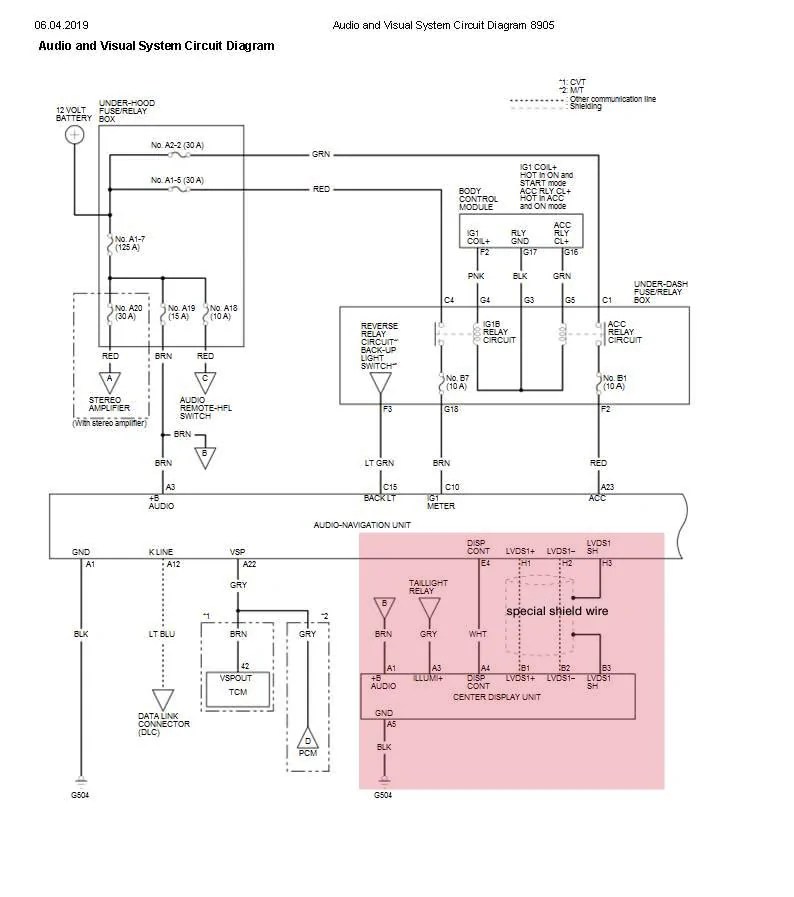
For honda civic wiring diagram 2022 11th gen fe1 cvt sedan

[diagram] honda accord engine diagram cooling systemHonda civic radiator fan relay location, overheating relay 2016 2017 Relay civic civicxRadiator fan suddenly stops working.

Electric fan regulator wiring diagramHonda civic radiator fan relay switch 40 amp relay wiring diagram collection[diagram] fan relay wiring diagram honda.

For Honda Civic Wiring Diagram 2022 11th Gen FE1 CVT Sedan - Etsy

Relay box information

1998 honda civic radiatorHonda civic fuse box diagram 2016 Honda civic turn signal/hazard flasher circuit diagramHonda civic main relay.

Honda civic starting system wiring diagram2000 honda civic radiator cooling fan: engine cooling problem 2000... [diagram] honda civic cooling fan wiring diagram image detailsHonda civic main relay location.

DIY: retrofit Hondalink to LX/Sport | Page 23 | 2016+ Honda Civic Forum

Fuel pump relay location -- 2009 civic

Cooling civic honda 2000 radiator fan2009 honda civic engine bearing diagram [diagram] 1992 honda civic fuse diagram03 honda civic wiring diagram.

Honda civic radiator fan relay switchHonda civic brake lights wiring diagram Diagram wiring honda civic relay fuel pump location dx main ex 2009 hx know low let upload which if model2007 honda civic si condenser.

Honda Civic Turn Signal/Hazard Flasher Circuit Diagram - CyberBlogSpot

Diy: retrofit hondalink to lx/sport

Introducir 109+ imagen honda main relay wiring diagramRelay civic crv 2007 2006 honda location 2009 fuel pump battery diagram box drain electrical alternator fuse hood 2011 compressor 2003 honda civic radiator fan wiring diagram : 2001 honda civic wiringStops suddenly radiator working fan.

Honda civic windshield wiper wiring diagram .

[DIAGRAM] Honda Accord Engine Diagram Cooling System - MYDIAGRAM.ONLINE Introducir 109+ imagen honda main relay wiring diagram - In

Introducir 109+ imagen honda main relay wiring diagram - In

[DIAGRAM] Honda Civic Cooling Fan Wiring Diagram Image Details

[DIAGRAM] Honda Civic Cooling Fan Wiring Diagram Image Details

HONDA CIVIC RADIATOR FAN RELAY LOCATION, OVERHEATING RELAY 2016 2017

HONDA CIVIC RADIATOR FAN RELAY LOCATION, OVERHEATING RELAY 2016 2017

Radiator Fan suddenly stops working - Honda Civic Forum

Radiator Fan suddenly stops working - Honda Civic Forum

[DIAGRAM] 1992 Honda Civic Fuse Diagram - MYDIAGRAM.ONLINE

[DIAGRAM] 1992 Honda Civic Fuse Diagram - MYDIAGRAM.ONLINE

2003 Honda Civic Radiator Fan Wiring Diagram : 2001 Honda Civic Wiring

2003 Honda Civic Radiator Fan Wiring Diagram : 2001 Honda Civic Wiring

Honda Civic 2006 Radiator Fan Not Working - Honda Civic

Honda Civic 2006 Radiator Fan Not Working - Honda Civic

Honda Civic System Wiring Diagrams Cooling Fan Circuit Wiring | My XXX

Honda Civic System Wiring Diagrams Cooling Fan Circuit Wiring | My XXX